0 грн.
Зробити замовлення- Артикул: 7100034
- Наявність: Є в наявності
1 880 грн.
Знайшли дешевше?
Без ПДВ: 1 880 грн.
Основні характеристики
Всі характеристики
Стан:
нове
Виробник:
Bobcat
Країна виробник:
США, Мексика, Чехія, Канада, Франція, PRS
Тип техніки:
дорожня, будівельна, комунальна, сільськогосподарська
В наявності:
оригінал та аналоги
Категорія товару:
шківи
- Огляд товару
- Характеристики
- Умови оплати та доставки
- Відгуків (0)
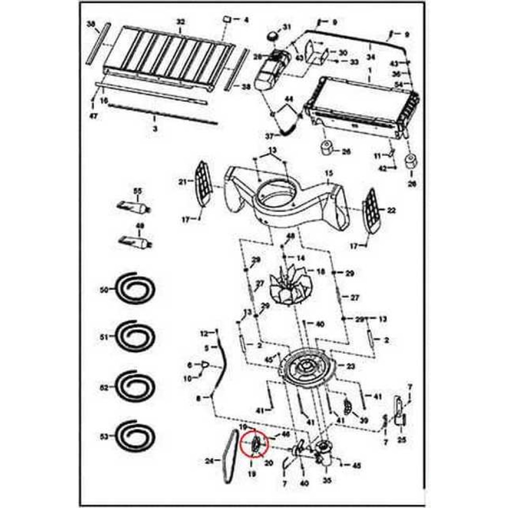
Опис:Шків приводу вентилятора, експорт, 140 мм (Export) Bobcat
Каталожний номер:7100034
Наявність: у наявності
Ціну уточнюйте за телефонами: +38 067 560 99 58 або +38 067 370 52 02.
Каталожний номер:7100034
Наявність: у наявності
Ціну уточнюйте за телефонами: +38 067 560 99 58 або +38 067 370 52 02.
Характеристики
Характеристики основні
Стан
нове
Виробник
Bobcat
Країна виробник
США, Мексика, Чехія, Канада, Франція, PRS
Тип техніки
дорожня, будівельна, комунальна, сільськогосподарська
В наявності
оригінал та аналоги
Категорія товару
шківи
Відгуків (0)
Немає відгуків про цей товар.

