0 грн.
Оформить заказ- Обзор товара
- Условия оплаты и доставки
- Описание
- Характеристики
- Габариты
- Отзывов (0)
Производительный мини-погрузчик Locust 1203
Словацкий бренд Locust не так разрекламирован, как другие европейские производители спецтехники, а также конкуренты из США. Но меньшая известность не мешает выпускать надежные машины, чем компания и занимается уже более 30 лет. В Украине недорого купить мини-погрузчики этого производителя возможно в компании. Рекомендуем обратить внимание на погрузчик Locust 1203 – модель сочетает в себе завидную производительность при небольших размерах.
Причины заказать погрузчик Локуст 1203?
Модель 1203 – это колесный погрузчик с бортовым поворотом. Он оснащен турбированным двигателем Yanmar, который позволяет машине развивать скорость до 12 километров в час. При этом уровень расхода топлива существенно меньше, чем у конкурентов. Максимальная грузоподъемность мини-погрузчика составляет 1,2 тонны.
Погрузчик Локуст 1203 оснащен производительной гидравлической системой, состоящей из:
- распределителя – конструкция предполагает открытый центр;
- гидравлического мотора нерегулируемого типа;
- регулируемого гидронасоса.
Специальный механизм следит за нагрузкой, «умно» распределяя поток гидравлической жидкости. Как итог – система не работает вхолостую, снижается расход топлива.
Модель получала удобное управление, антивандальную защиту. Она поставляется со стандартным ковшом, который в любой момент можно заменить на дорожные щетки, установку для бурения или гидромолот. Погрузчик Locust 1203 поддерживает более 25 наименований мощных рабочих инструментов, что делает его универсальной единицей. Погрузчик Locust 1203 подходит для эксплуатации в производственных цехах, на строительных и складских площадках.
Доставка специализированной техники по Украине
Купить погрузчик Локуст 1203 в нашей компании возможно по приемлемой цене. Прямые поставки позволяют нам предлагать клиентам лучшие условия.
Среди других преимуществ сотрудничества:
- удобные варианты оплаты;
- полная информационная и сервисная поддержка;
- большой каталог навесного оборудования.
Оформляйте заявку на сайте, чтобы узнать актуальную цену на погрузчик Locust 1203, получить дополнительную информацию.
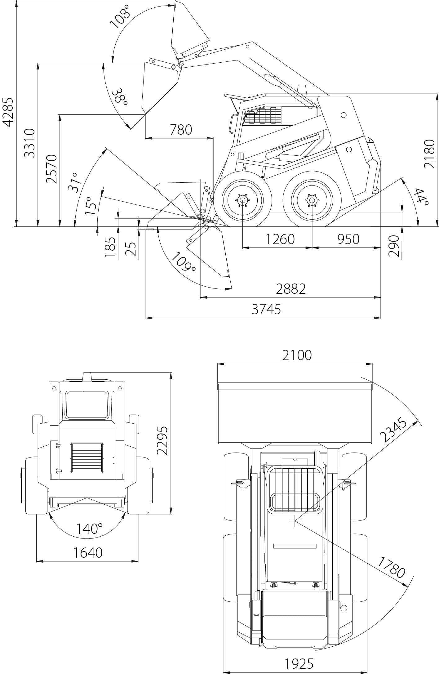
| Высота погрузчика | 2180 мм |
| Длина погрузчика с ковшом | 3745 мм |
| Ширина погрузчика с ковшом | 2100 мм |
| Эксплутационная масса | 4200 кг |
| Номинальная грузоподъемность
Номинальная грузоподъемность с доп. противовесом Опрокидывающая нагрузка |
1200 кг
1500 кг* 2400 кг |
| Пункт перегрузки | 2400 кг |
| Номинальная скорость | 12 км/час |
| Высоко насыпанный объем ковша | 0,66 м3 |
| Сила разрыва | 30 кН |
| Сила тяги | 41 кН |
| Сила подъема | 28 кН |
| Досягаемость | 780 мм |
| Максимальная высота высыпания | 2570 мм |
| Тип двигателя | Perkins 904D-E28T |
| Оценка мощности | 55,4 kW/2400 rpm |
| Вид приведения в движение | Гидростатический |
| Регуляционный гидрогенератор движения | BOSCH-REXROTH |
| Константный гидродвигатель движения | BOSCH-REXROTH |
| Гидравлика движения — рабочее давление | 35 МПа |
| Вид управления | гидравлическое |
| Рабочее давление управления | 2,5 МПа |
| Управление | Скольжением |
| Гидрогенератор рабочего оборудования | Регуляционный — LS/LUVD |
| Распределитель рабочего оборудования | с закрытой серединой |
| Рабочее давление на навесное оборудовани | 18 МПа |
| Проток рабочей гидравлики | 108 л/мин |
| Выравнивание ковша | Гидравлическое** |
| Гарантированный уровень акустической мощности | 101 дБ |
| Шины стандартные | 12,5-18 |
| Электрическая установка | 12 В |
*не рекомендуется работать на регулярной основе с весом, указанным в качестве номинальной рабочей мощности с противовесом
**в подъеме и спуске

Нет отзывов о данном товаре.

